工作介質:清水
工作溫度:常溫
工作壓力:1.0MPa
公稱壓力PN:PN10
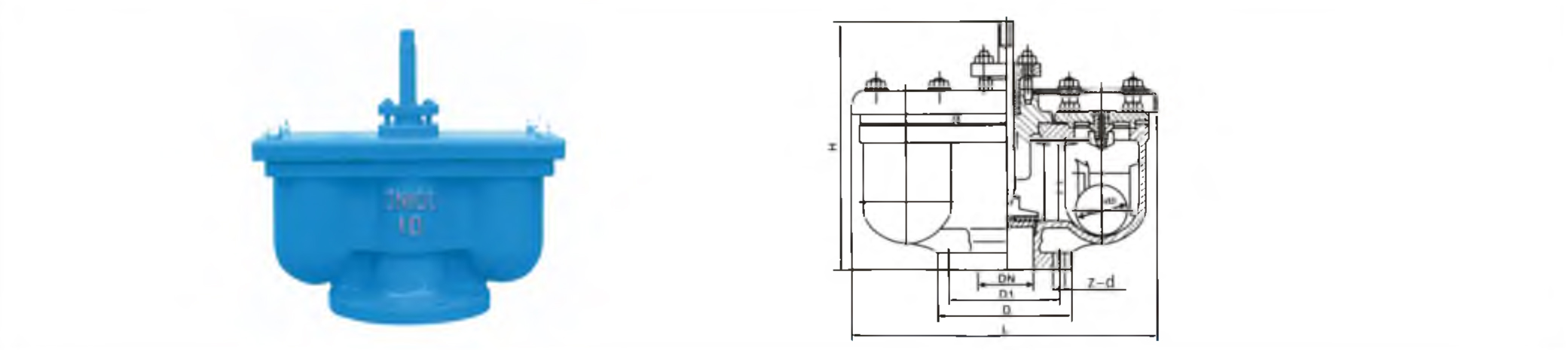
閥體:HT200
浮球:304不銹鋼
閥體強度打壓:1.5MPa
氣密封實驗打壓:0.05MPa~1.6MPa不漏水
雙口排氣閥是管道常備設備,安裝在管道高點或閉氣地方,來排除管內氣體,疏通 管道,使管道運轉正常,如停電、停泵時管內會出現負壓引起管道振動和破裂,該排氣閥及時吸氣,保障管路安全。
QB2法蘭雙口型適用于溫度不超過100°C的水、熱水管道上使管道內的空氣全部排出。
(1)注:D> 350mm管路請選單口排氣閥(QB1-10)。
(2)安裝雙口排氣型,底下一定要安裝一只保護閥門、球閥(Q41F-16),以免檢驗停水。
(3)如需方要求本排氣閥法蘭大小尺寸如變動,請在合同上注明法蘭連接尺寸。本排氣閥適用 水、熱水、最高溫度100°C的管道上,使管道內的氣體全部排出。
產品結構:

主要尺寸:
